湘潭中基ZJY46H型組合式減壓閥
——降噪及氣蝕性能試驗
湘潭中基 董英杰
一、 概述
我公司生產的ZJY46H活塞式減壓閥在一些高水頭電站(水頭200m以上)使用一年后,部分用戶反映主閥節流錐有氣蝕和沖蝕的現象;同時,減壓閥運行噪聲也偏高。雖然以上問題沒有影響減壓閥的正常運行,但我公司針對電站反映的問題進行了分析,并進行了一系列改進試驗,取得了良好結果。
ZJY46H型組合式減壓閥具有高減壓比、大流量、穩定性好、使用壽命長、一級減壓的特點。但在高減壓比的工況下運行時,由于能量消耗的形式體現,運行噪聲和氣蝕的現象也是不可避免的。在分析這一現象時,我們認為:合理的過流面積的幾何形狀可有效地減小流阻,同時有效地減少噪聲和氣蝕程度。
為此,我們設計了兩個改進型DN150節流錐S1#和S2#,和缸套閥座組合件,先在公司的試驗臺上進行試驗,S2#節流錐和缸套閥座組合件,取得了明顯的預計效果;然后我們又到云南計堵河水電站進行了現場試驗,雖然這次試驗因時間原因沒有按計劃全部做完,但仍可證明這次改進有著良好的效果。
二 試驗思路
因為氣蝕的發生總是伴隨著噪聲增大,故通過測試閥內水流噪聲而可間接判斷氣蝕性能。
先在公司內部的試驗臺上進行工廠試驗,取得良好的效果后適時再到水電站進行現場試驗。通過對改進節流錐與原型節流錐的試驗數據比較,即可得出改進節流錐的性能結果。
三 工廠試驗
1、工廠試驗簡介
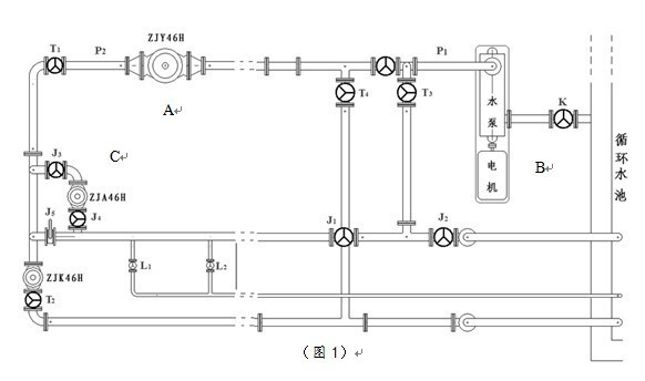
1.1、工廠試驗臺
如圖1 所示:B為多級泵;A為被測減壓閥;C為安全泄壓閥。試驗系統開啟后,將P1高值調整為1.9MPa,然后在分別設定P2為各不同值,在各值中改變P1值,觀測在不同工況下的運行穩定性和噪聲。
1.2、試驗方式
用兩個改進型DN150節流錐S1#S2#和一個原型節流錐S0#和相對應的缸套閥座組合件,先后裝入減壓閥閥體內在試驗臺上進行試驗,通過給定出口壓力、調節進口壓力,測試主閥不同開度條件下的噪聲分貝值,即可比較不同節流錐的性能差異。
2.工廠試驗數據及初步判斷
工廠試驗結果見表一:
表一:工廠試驗結果

注:P1為進口壓力(MPa);P2為出口壓力(MPa);K為主閥開程(mm);Z為噪聲聲壓級(dB)。
由表一可知,改進型節流錐S1#的降噪性能比原型節流錐S0#稍好,而改進型節流錐S2#降噪性能好。
因水泵流量所限,工廠試驗參數不足以說明問題。因此我們選擇了云南計堵河電站進行電站運行現場試驗。
四 現場試驗
1、計堵河水電站及減壓閥使用情況簡介
計堵河二級水電站位于云南省怒江州瀘水縣稱桿鄉計堵河上,電站裝機容量為2×6300kW,為引水式電站。機組技術供水采用自流減壓供水和水泵供水方式,單機組技術供水流量為150m3/h;水頭為260m~240m。因水泵運行故障率高,所以自流減壓供水為主供水。
2、機組自流減壓供水系統簡介
如圖2所示:在壓力鋼管進機組處的位置附近取水。K1、K2分別這取水閥和工作閥,Y為ZJY46H-40C DN150減壓閥。P2的壓力整定為0.6MPa,減壓后的水直供水池,再由水池供兩臺機組用水。調節閥門K3為合適的過流面積。改進前的單臺ZJY46H-40C DN150減壓閥的流量在滿足兩臺機組運行時,運行噪音為118dB。
3、自流減壓供水系統工作狀況
計堵河水電站以前曾用國外某公司生產的膜片差壓式DN150減壓閥兩臺作兩級減壓,使用不到半年即損壞,無法再用。后改用我公司生產的ZJY46H型組合式減壓閥一臺作一級減壓,使用一年后,雖然噪聲偏高,節流錐有沖蝕和氣蝕,但仍能使用。
由于電站生態環境較差,植被破壞嚴重。水中的雜質主要為石英砂。由于高速水流產生的氣蝕,再加上石英砂的磨蝕,減壓閥的運行環境很差。這就需要對減壓閥進行合理的改進,保證在惡劣環境下運行的減壓閥有良好的適應性,以保證電站的正常運行。
4、現場試驗簡介
計堵河水電站在八月下旬因故需停電一天,我們趁這個時機趕到水電站進行現場試驗。原計劃試驗S2#節流錐和S0#節流錐及對應的缸套閥座組合件,以作比較。但因兩次試驗間隔的準備時間(減壓閥前截止閥不能關死,需壓力鋼管泄水和灌水)過長,為不影響按時發電,只試驗S2#節流錐而未能進行S0#原型節流錐的試驗。
另外,只有減壓閥后有壓力表,而減壓閥前沒有,也沒有流量計。這對試驗造成一定的不便。
在S2#節流錐試驗過程中及后正式發電投入運行時,用戶評價:噪聲明顯減小,振動微弱。
5、現場試驗數據及初步判斷
現場試驗結果見表二和表三:
表二 :現場試驗結果(一)

注:1)符號同表一。2)減壓閥主閥全開程為28mm。3)調節桿預壓高度為89mm。
由表二可知,出口閥開度從全開到1/2開時,減壓閥的出口壓力變化很小,不影響機組運行。此時通過減壓閥的水流噪聲有較大降低。
表三 :現場試驗結果(二)

注:1)符號同表一。2)減壓閥主閥全開程為28mm。3)帶*號的調節桿預壓高度為63mm,是當前的發電投運狀態。其余的調節桿預壓高度為89mm。
對比表二和表三,可以發現:
1)當出口壓力調高后,水流噪聲降低約6~7 dB。
2)在表二中,出口閥開度變化后,水流噪聲從110.0 dB降到91.0 dB,降幅為19 dB;在表三中,水流噪聲則從111.0 dB降到88.5 dB,降幅為22.5 dB。
3)試驗完成后,應電站要求,將ZJY46H-40C DN150減壓閥的P2值整定為0.7MPa,調節出口閥K3滿足兩臺機組運行的流量要求。即時工況的噪聲為89.5dB。
五、綜合分析
一般來說,減壓閥的水流噪聲與水通過節流錐產生的渦流直接相關,而渦流與節流錐的幾何形狀、附近的流道及流速有關,而流速又與節流錐的開度和前后壓力差有關。
選擇合理的節流錐形狀,可以減小流阻系數及相應的渦流影響;增加主閥調節桿的預壓量,可以增加水的流量而降低通過節流錐過流面的流速(實際上是流阻損失減少)。通過這種方式,我們可以有效降低減壓閥的水流噪聲。
六、結論
1)S2#節流錐對降低減壓閥的水流噪聲是有效的。
2)S2#節流錐的穩壓性能是可靠的。
3)輔以增加主閥調節桿的預壓量對降低減壓閥的水流噪聲也是可行的。
七、進一步改進思考
1)主閥節流錐的幾何形狀仍可考慮進一步優化。
2)節流錐附近的流道今后可以考慮改進。
3)過流面易氣蝕和沖蝕處可以考慮選擇更好的耐磨材料。
產品標題:ZJY46H 活塞式減壓閥
產品簡介:ZJY46H活塞式減壓閥是湘潭中基電站輔機制造有限公司新的第七系列專利技術產品,專為水電站技術供水系統提供穩定可靠的冷卻水源. 大應用裝機:800MW(向家壩水電站)大應用供水:5000m3/h 高應用水頭:370m 大減壓比:12:1
訂購熱線:0731-58289061

